
|
Low Mounting Series |
|||||||||||||||||
|
Model |
Capacity |
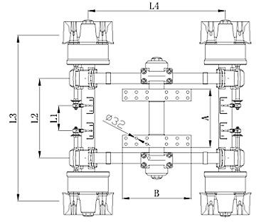
Track |
Height |
Wheel base |
brake |
bearing |
Leaf Spring Center Distance |
Brake Chamber Distance |
High Mounting Platform Area |
Stud |
P.C.D |
Tyre |
Wheel |
Spacer |
Leaf Spring |
Total Length |
Weight |
|
WK2402L |
2×12 |
1850 |
245 |
1500 |
S420×180 |
33118 33213 |
980 |
393 |
660 |
6-M20×2 |
|
12.00R24 |
8.5-24 |
147-24 |
90/18 |
2150 |
≈1913 |
|
WK2403L |
2×12 |
1850 |
245 |
1400 |
S420×180 |
33118 33213 |
980 |
393 |
660 |
6-M20×2 |
|
12.00R24 |
7.5V-20 |
130-20 |
90/18 |
2150 |
≈1913 |
|
WK2412L |
2×12 |
1840 |
176 |
1400 |
S420×180 |
33118 33213 |
980 |
421 |
660 |
10-M22×1.5 |
335/281 |
12.00R20 |
7.50V-20 |
|
90/18 |
2150 |
≈1767 |
|
WK2413L |
2×12 |
1840 |
245 |
1400 |
S420×180 |
33118 33213 |
980 |
421 |
660 |
10-M22×1.5 |
335/281 |
12.00R20 |
7.50V-20 |
|
90/18 |
2160 |
≈1767 |
|
WK2413L1 |
2×12 |
1850 |
245 |
1400 |
S420×180 |
33118 33213 |
980 |
421 |
660 |
10-M22×1.5 |
335/281 |
12.00R20 |
7.50V-20 |
|
90/18 |
2160 |
≈1767 |
|
WK2802L |
2×14 |
1840 |
263 |
1550 |
S420×200 |
32219 33215 |
900 |
245 |
520 |
6-M20×2 |
|
12.00R24 |
8.5-24 |
147-24 |
120/17 |
2190 |
≈2402 |
|
WK2812L |
2×14 |
1840 |
263 |
1550 |
S420×200 |
32219 33215 |
900 |
245 |
520 |
10-M22×1.5 |
335/281 |
12.00R20 |
8.5-20 |
Ø382 |
120/17 |
2190 |
≈2272 |
|
WK2812L1 |
2×14 |
1850 |
263 |
1550 |
S420×200 |
32219 33215 |
900 |
245 |
520 |
10-M22×1.5 |
335/281 |
12.00R20 |
8.5-20 |
Ø382 |
120/17 |
2190 |
≈2272 |
|
WK3202L |
2×16 |
1840 |
263 |
1550 |
S420×200 |
32222 32314 |
900 |
243 |
520 |
6-M20×2 |
|
12.00R24 |
8.5-24 |
147-24 |
120/17 |
2250 |
≈2510 |
|
WK3212L |
2×16 |
1840 |
263 |
1550 |
S420×200 |
32222 32314 |
900 |
243 |
520 |
10-M22×1.5 |
335/281 |
12.00R20 |
8.5-20 |
|
120/17 |
2250 |
≈2354 |
|
WK3212L1 |
2×16 |
1850 |
263 |
1550 |
S420×200 |
32222 32314 |
900 |
243 |
520 |
10-M22×1.5 |
335/281 |
12.00R20 |
8.5-20 |
|
120/17 |
2250 |
≈2354 |
|
WK3602L |
2×18 |
1840 |
263 |
1550 |
S420×220 |
32222 32314 |
900 |
243 |
520 |
6-M20×2 |
|
12.00R24 |
8.5-24 |
147-24 |
120/17 |
2250 |
≈2538 |
|
WK3612L |
2×18 |
1840 |
263 |
1550 |
S420×220 |
32222 32314 |
900 |
262 |
520 |
10-M22×1.5 |
335/281 |
12.00R20 |
8.5-20 |
|
120/17 |
2250 |
≈2376 |
|
WJ3612L1 |
2×18 |
1850 |
263 |
1550 |
S420×220 |
32222 32314 |
900 |
262 |
520 |
10-M22×1.5 |
335/281 |
12.00R20 |
8.5-20 |
|
120/17 |
2250 |
≈2376 |